| उत्पत्ति के प्लेस: | चीन |
| ब्रांड नाम: | OEM |
| प्रमाणन: | CE;ISO |
| न्यूनतम आदेश मात्रा: | बातचीत योग्य |
|---|---|
| मूल्य: | Negotiable |
| पैकेजिंग विवरण: | गत्ते से Stardard निर्यात पैकिंग |
| प्रसव के समय: | 5-10days |
| भुगतान शर्तें: | एल / सी, टी / टी, वेस्टर्न यूनियन |
| आपूर्ति की क्षमता: | प्रति माह 20,000 पीसीएस |
| उत्पाद का नाम: | दबाव संवेदक | दबाव की श्रेणी: | 0 ~ 100 / 700kPa |
|---|---|---|---|
| बिजली की आपूर्ति: | 5 वी या 3.3 वी | उत्पादन में संकेत: | 0.5-4.5V (या 0.2-2.7 या अनुकूलित) |
| शुद्धता: | 1% | दबाव प्रकार: | पूर्ण |
| मापा गया मीडिया: | वायु गैस या तरल | संकुचित तप।: | 0-60'C |
| भंडारण अस्थायी।: | -40 ~ 150’C | अधिभार का दबाव: | 2X |
| हाई लाइट: | 5V atmospheric pressure transmitter,Amplified atmospheric pressure transducer,700kPa sensor atmospheric pressure |
||
फ़ीचर
आवेदन
मोटर वाहन इलेक्ट्रॉनिक्स क्षेत्र के लिए, जैसे टायर दबाव मीटर, कार पंप।
बैरोमीटर, altimeter, वैक्यूम दबाव माप के लिए ।etc।
दबाव मीटर या दबाव नियंत्रक आदि के लिए।
प्रदर्शन पैरामीटर
जब तक अन्यथा निर्दिष्ट नहीं किया जाता है, माप 25 Vdc की आपूर्ति वोल्टेज के साथ 25 ℃ 1 ℃ के तापमान और आर्द्रता 25% ~ 85% से लिया गया।
| मद | डेटा | इकाई |
| बिजली की आपूर्ति | 5 या 3.3 | वी |
| दबाव पर्वतमाला | 0 ~ 100/350/700 | किलो पास्कल |
| उत्पादन में संकेत | 0.5-4.5 (या कस्टम द्वारा) | वी |
| शुद्धता | ± 1.0 | % स्पैन |
|
शून्य अस्थायी। कुशल |
± 0.03 | % एफएस / ℃ |
|
स्पैन टेम्प। कुशल |
± 0.03 | % एफएस / ℃ |
| दीर्घकालिक स्थिरता (1 वर्ष) | ± 0.5 | % स्पैन |
| ओवर प्रेशर | 2X (≥500kPa) | reted |
| मुआवजा अस्थायी। | 0 ~ 60/32 ~ 140 | ℃ / ℉ |
| व्यापक तापमान। | -10 ~ 85/14 ~ 185 | ℃ / ℉ |
| भंडारण अस्थायी। | -40 ~ 150 / -40 ~ 302 | ℃ / ℉ |
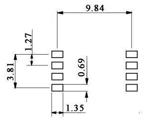
आयाम और आइलेटिक कनेक्शन (यूनिट: मिमी / इंच)

पिन परिभाषा
|
1 |
3 |
7 |
2,4,5,6,8 |
|
उत्पादन |
पावर + |
GND |
एन / सी |
ध्यान दें:
1, N / C पिंस को तैरते हुए छोड़ना चाहिए
2, लीड पिन की टांका लगाने: 5 सेकंड के लिए 250'C।
3, VDD और GND के बीच कृपया 0.1uf संधारित्र जोड़ें।
अनुशंसित पदचिह्न

उपरोक्त पदचिह्न लेआउट, रिफ्लो या मैनुअल सोल्डरिंग द्वारा प्रक्रिया के दौरान पीसी बोर्ड और सेंसर पिन के बीच उचित सोल्डर कनेक्शन इंटरफ़ेस सुनिश्चित करते हैं।
टिप्पणियाँ
1. सोल्डरिंग और असेंबली के दौरान ESD सुरक्षा को लागू करें।
2. अधिभार वोल्टेज (6.5Vdc) या करंट (5mA) ASIC को जला सकता है।
3. माध्यम को दबाव वाले हिस्सों के साथ संगत होना चाहिए।
4. कृपया पैरामीटर और आवेदन पर विशेष अनुरोध के लिए हमसे संपर्क करें